AZM190-02/10RKT-MPV-24VDC
AZM190-02/10RKT-MPV-24VDC
| Codice: AZM190-(1)RK(2)(3)-(4)-(5)-(6)-(7) |
| (1) | |
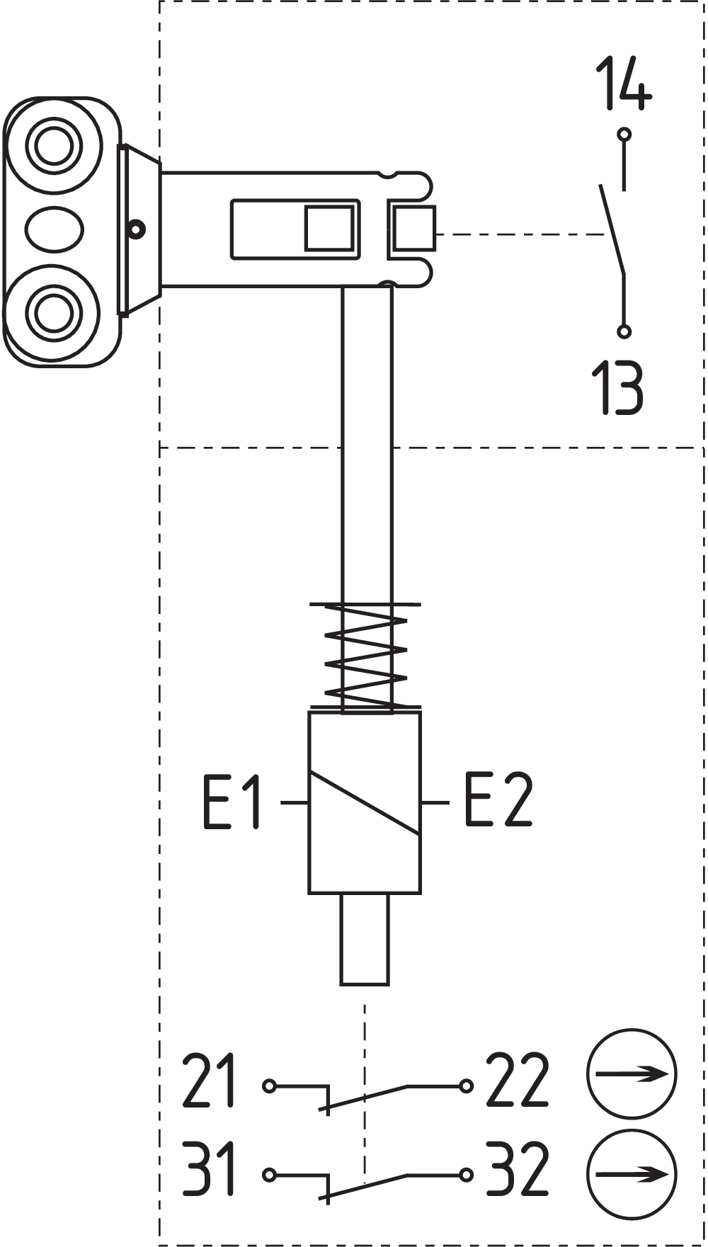
| 02/01 | Magnete: 2 contatti d'apertura (NC), azionatore: 1 contatto d'apertura (NC) |
| 02/02 | Magnete: 2 contatti d'apertura (NC), azionatore: 2 contatti d'apertura (NC) |
| 02/10 | Magnete: 2 contatti d'apertura (NC), azionatore: 1 contatto di chiusura (NO) |
| 02/11 | Magnete: 2 contatti d'apertura; (NC), azionatore: 1 contatto d'apertura (NC) / 1 contatto di chiusura (NO) |
| 11/01 | Magnete: 1 contatto d'apertura (NC) / 1 contatto di chiusura (NO); azionatore: 1 contatto d'apertura (NC) |
| 11/02 | Magnete: 1 contatto d'apertura (NC) / 1 contatto di chiusura (NO); azionatore: 2 contatti d'apertura (NC) |
| 11/10 | Magnete: 1 contatto d'apertura (NC) / 1 contatto di chiusura (NO); azionatore: 1 contatto di chiusura (NO) |
| 11/11 | Magnete: 1 contatto d'apertura (NC) / 1 contatto di chiusura (NO); azionatore: 1 contatto d'apertura (NC) / 1 contatto di chiusura (NO) |
| (2) | |
| senza | Principio di corrente di riposo |
| A | Principio di corrente di lavoro |
| (3) | |
| senza | Con sblocco ausiliario lato coperchio |
| E0 | Senza sblocco ausiliario |
| E1 | Con sblocco ausiliario laterale (destra) |
| N | Sblocco di emergenza |
| T | Sblocco di fuga |
| (4) | |
| senza | Senza indicatori LED |
| G | Con indicatori LED (solo per 24 VAC/DC, non per -E1 e -T) |
| (5) | |
| MPV | Con piastra di montaggio MP190-V |
| MPVD | Con piastra di montaggio MP190-VD |
| (6) | |
| 24VAC | Us: 24 VAC |
| 24VDC | Us: 24 VDC |
| 48VAC | Us: 48 VAC |
| 110VAC | Us: 110 VAC |
| 230VAC | Us: 230 VAC |
| (7) | |
| 3023-1 | Testa di azionamento ruotata di 90° |
| 3023-2 | Testa di azionamento ruotata di 270° |
- Custodia in plastica
- Lunga durata
- Ritenuta
- 89 mm x 178 mm x 41 mm
- Testa di azionamento ruotabile di 4 x 90º
- 2 passacavi M 20 x 1.5
- Vano di collegamento
- Forma stretta, particolarmente adatta per il montaggio su porte girevoli, profilati in alluminio e recinzioni
- meccanismo di chiusura contro l'infiltrazione di sporco
- collegamento con morsetti a vite
Dati per l'ordine
| Codice articolo di ricambio |
103006270 |
| Codice |
AZM190-02/10RKT-MPV-24VDC |
| Codice articolo (codice d'ordine) |
133006270 |
| EAN (European Article Number) |
8905236101403 |
| Numero eCl@ss, versione 12.0 |
27-27-26-03 |
| Numero eCl@ss, versione 11.0 |
27-27-26-03 |
| Numero eCl@ss, versione 9.0 |
27-27-26-03 |
| Numero ETIM, versione 7.0 |
EC002593 |
| Numero ETIM, versione 6.0 |
EC002593 |
Omologazioni - Prescrizioni
| Certificazioni |
cULus CCC |
Dati generali
| Prescrizioni |
BG-GS-ET-19 EN ISO 13849-1 EN ISO 14119 EN IEC 60947-5-1 |
| Livello di codifica secondo EN ISO 14119 |
ridotta |
| principio d'azione |
elettromeccanico |
| Materiale della custodia |
materiale sintetico, termoplastica rinforzata con fibra di vetro |
| Peso lordo |
400 g |
Dati generali - Caratteristiche
| Principio di corrente di riposo |
Sì |
| Numero direzioni di azionamento |
4 |
| quantità di contatti di sicurezza |
3 |
| Numero di connessione cavo |
2 |
Osservazioni per la sicurezza
| Prescrizioni |
EN ISO 13849-1 |
| Performance Level, fino a |
c |
| Categoria di comando |
1 |
| B10D (contatto NC) |
2.000.000 manovre |
| Osservazioni |
Electrical life on request. |
| B10D contatto NA |
1.000.000 manovre |
| Osservazioni |
at 10% Ie and ohmic load |
| Durata di utilizzo |
20 Anno(i) |
Osservazioni per la sicurezza - L'esclusione dei guasti
| Nota bene: |
installabile se è ammessa l'esclusione di guasti per danni pericolosi alla meccanica a 1 canale e se è garantita un'adeguata protezione contro le manipolazioni. |
| Performance Level, fino a |
d |
| Categoria di comando |
3 |
| Osservazioni |
for 2-channel use and with suitable logic unit. |
| Durata di utilizzo |
20 Anno(i) |
Osservazioni per la sicurezza - Funzione di blocco
| Performance Level, fino a |
e |
| Nota (Livello di prestazione) |
Information for the safety classification of the guard locking function is documented in the "Operating instructions" or in the "Operation and mounting" instructions. |
Dati meccanici
| Durata meccanica, minimo |
1.000.000 manovre |
| Forza di mantenimento in chiusura secondo EN ISO 14119 |
1.950 N |
| Forza di mantenimento in chiusura, massima {N} |
2.550 N |
| Forza di ritenuta |
20 N |
| Forza di apertura obbligata, minima |
20 N |
| Velocità di azionamento, massima |
0,3 m/s |
| Montaggio |
Viti |
| Versione delle viti di fissaggio |
2x M5 |
Dati meccanici - Tecnologia di collegamento
| Cablaggio |
2 x M20 x 1,5 |
| Connettore di collegamento |
Morsetti a vite |
| Sezione di collegamento, minima |
0,5 mm² |
| Sezione di collegamento, massimo |
1,5 mm² |
| Osservazioni |
Tutte le indicazioni sulla sezione del cavo includono le bussole del conduttore. |
Dati meccanici - Dimensioni
| lunghezza del sensore |
41 mm |
| larghezza del sensore |
52 mm |
| altezza del sensore |
178 mm |
Condizioni ambientali
| Grado di protezione |
IP65 IP67 |
| Temperatura ambiente |
-25 ... +55 °C |
| Osservazioni (umidità relativa) |
non condensante non gela |
| Classe di protezione |
II |
Condizioni ambientali - Valori di isolamento
| Tensione d'isolamento nominale |
250 VAC |
| Resistenza alla tensione impulsiva nominale |
4 kV |
Dati elettrici
| Corrente termica continua |
4 A |
| Tensione d'alimentazione comando |
24 VDC |
| Corrente di cortocircuito nominale richiesta |
1.000 A |
| Potenza elettrica assorbita, massima |
8,5 W |
| Elemento di commutazione |
Magnet: 2 NC contacts / Actuator: 1 NO contact Magnet: 2 NC contacts / Actuator: 1 NC contact |
| principio di comando |
slow action, positive break NC contact |
| Frequenza di commutazione massima |
1.200 /h |
| Materiale dei contatti, elettrici |
Argento |
Dati elettrici - Comando magnete IN
| Durata di azionamento magnete |
100 % |
| Durata dell'impulso di prova, massimo |
5 ms |
| Intervallo dell'impulso di prova, minimo |
50 ms |
Dati elettrici - Contatti di sicurezza
| Tensione, Categoria d'utilizzo AC-15 |
230 VAC |
| Corrente, categoria d'utilizzo AC-15 |
4 A |
| Tensione, Categoria d'utilizzo DC-13 |
24 VDC |
| Corrente, categoria d'utilizzo DC-13 |
4 A |
Dati elettrici - Contatti ausiliari
| Tensione, Categoria d'utilizzo AC-15 |
230 VAC |
| Corrente, categoria d'utilizzo AC-15 |
4 A |
| Tensione, Categoria d'utilizzo DC-13 |
24 VDC |
| Corrente, categoria d'utilizzo DC-13 |
4 A |
Altri dati
| Nota (applicazioni) |
dispositivo di sicurezza scorrevole dispositivo di sicurezza rimovibile interruttori di sicurezza rotativi |
Fornitura
| Fornitura |
Actuator must be ordered separately. |
Osservazioni
| Osservazioni (Sblocco di fuga) |
In caso di emergenza Montaggio solo all'interno del dispositivo di sicurezza |
Filtro lingua
Scheda Tecnica
Manuale d'istruzioni (Inserto/Guida rapida)
Manuale d'istruzioni e dichiarazione UE di conformità
Certificazione UL
Libreria SISTEMA-VDMA
Download dell'ultima versione di Adobe Reader
Immagine del prodotto (foto singola per catalogo)
ID: kazm1f98
| 330,4 kB | .jpg | 352.425 x 373.592 mm - 999 x 1059 px - 72 dpi
| 48,2 kB | .png | 73.731 x 78.317 mm - 209 x 222 px - 72 dpi
| 312,9 kB | .jpg | 352.425 x 373.59200000000004 mm - 999 x 1059 px - 72 dpi
| 47,1 kB | .png | 73.73100000000001 x 78.31700000000001 mm - 209 x 222 px - 72 dpi
| 47,1 kB | .png | 73.731 x 78.317 mm - 209 x 222 px - 72 dpi
| 39,7 kB | .png | 74.083 x 74.083 mm - 210 x 210 px - 72 dpi
| 3,7 MB | .png | 169.333 x 179.40900000000002 mm - 2000 x 2119 px - 300 dpi
| 41,7 kB | .jpg | 116.417 x 123.47200000000001 mm - 330 x 350 px - 72 dpi
Disegno quotato disp. di base
| UK Declaration of Conformity | ![]() |
| Company: | Schmersal India Private Limited G-7/1, MIDC, Ranjangaon Tal. Shirur, Dist. Pune - 412 220 Maharashtra India Internet: www.schmersal.in |
| Declaration: | We hereby, under sole responsibility, certify that the hereafter described components both in their basic design and construction conform to the relevant statutory requirements, regulations and designated standards of the United Kingdom. |
| Name of the component: | AZM190 |
| Type: | See ordering code |
| Description of the component: | Interlocking device with electromagnetic interlock for safety functions (solenoid interlock) |
| Relevant legislation: | Supply of Machinery (Safety) Regulations | 2008 |
| The Restriction of the Use of Certain Hazardous Substances in Electrical and Electronic Equipment Regulations | 2012 |
| Designated standards: | EN IEC 60947-5-1:2025 EN ISO 14119:2025 |
| UK-Importer / Person authorised for the compilation of the technical documentation: | Schmersal UK Ltd. Paul Kenney Unit 1, Sparrowhawk Close Enigma Business Park Malvern, Worcestershire, WR14 1GL |
| Place and date of issue: | Pune, January 26, 2026 |
![]() |
| Authorised signature Ramji Singh Managing Director |
| Dichiarazione di conformità UE | ![]() |
| Original | Schmersal India Private Limited G-7/1, MIDC, Ranjangaon Tal. Shirur, Dist. Pune – 412 220 Maharashtra India Internet: www.schmersal.in |
| Dichiarazione: | Si dichiara con la presente che i seguenti componenti, sulla base della loro progettazione e costruzione, sono conformi ai requisiti delle direttive europee sotto elencate. |
| Denominaz. del componente: | AZM190 |
| Tipo: | vedere codice prodotto |
| Descrizione del componente: | Blocco con ritenuta elettromagnetica per funzioni di sicurezza (Elettroserratura di sicurezza) |
| Direttive rilevanti: | Direttiva Macchine | 2006/42/CE | |
| Direttiva RoHS | 2011/65/UE |
| Norme armonizzate correlate: | EN IEC 60947-5-1:2025 EN ISO 14119:2025 |
| Responsabile per la documentazione tecnica: | Oliver Wacker Möddinghofe 30 42279 Wuppertal |
| Luogo e data di emissione: | Pune, 26. Gennaio 2026 |
![]() |
| Firma del legale rappresentante Ramji Singh Amministratore delegato |
Schmersal Italia S.r.l., Via Molino Vecchio, 206, 25010 Borgosatollo (BS)
I dettagli e i dati qui riportati sono stati attentamente verificati. Le immagini possono differire dagli originali. Altri dati tecnici possono essere trovati nei manuali. Salvo modifiche tecniche o errori.
Generato il 16/03/2026, 05:45


